防爆导热油炉
一、设备使用条件
工艺条件(如压力、温度、物料特性)、工作环境、公用工程条件。
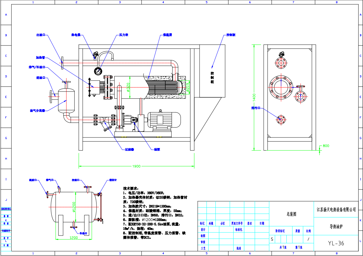
环境温度:-10—45℃;环境湿度:≤ 90%;三相五线制,整机功率约41.5KW;使用温度:≤300℃。
按需方要求提供:设备出力参数(如泵的杨程、流量)、结构,使用《设备数据表》
二、设备主要技术参数:
1.防爆等级:dⅡBT4;
2.电源电压:380/50;
3.电加热有机热载体锅炉外形:1900x600x1400;
4.电控柜尺寸:800×800×2200(两面开门,双侧布置元件),标准GGD柜,预留柜外连接;
5.电加热有机热载体锅炉额定加热功率:36KW,整机功率:41.5KW;
6.离心式热油泵:RY50-32-200,流量:18m3/h,扬程:40m,电机功率5.5KW(1台);电机为三级能效(执行标准GB18613-2020);
7.防护等级:dⅡBT4;
8.进出油口法兰:dn50;
9.筒体采用国标φ219无缝钢管,材质Q235B,壁厚6mm,加热管采用T20碳钢(壁厚不小于2mm)。接管选用带颈平焊法兰、凸面。压力等级PN25,垫片材质为金属石墨缠绕垫。
【江苏扬天电热设备有限公司】——信息化 数字化 智能化——義飞扬天——防爆电加热器专业制造商——为新时代中国制造加油助力——全国尊贵热线:400-777-5525
三、制造标准
1.设计寿命: 10 年。
2.卖方相关的:包括材料、制造、检验、质量控制标准
四、电气要求
加热总功率为41.5KW,油泵功率为5.5KW;
五、控制及保护
温度调节仪表自动控温,超温控制仪表提供报警输出,系统欠压、系统超压、系统超温等报警和流量异常,任何报警情况下均不能启动加热;油泵不启动情况下,不能启动加热;温控表带485通信,与DCS通讯。
采用PLC控制,油泵启动/停止,加热启动/停止均可现场和DCS控制;
每台设备设置电能监控表一块(品牌广州东琦电能表),带485通信;
电气与仪表分开,控制系统应用PLC控制,并入DCS控制室,PLC预留profibus-DP通讯,PLC为西门子s7-200smart,仪表通过485与DCS通讯。
六、检验试验
双方协调:设备进行打压试验,确认无泄漏;电气进行模拟运行检验。

