goods-
新闻资讯
当前位置是:首页 > 新闻资讯

管道加热器

点击量:24次 | 发布时间:2026-04-06

管道加热器

 一、系统功能

  电加热器用于对工艺尾气加热。

  491 HZ 01,491 HZ 02 为一用一备的一组功率可调的电加热器,位于低放蒸发系统工艺尾气处理环节,工艺尾气经过冷凝、冷却、旋风捕集液滴后以20℃进入电加热器,加热到 120℃后由出口出来进入高效过滤器组处理。

 1.1安全功能

  电加热器内气体为酸性含放射性气体,需密封良好。

  电加热器或其控制系统需要考虑防雷接地、无风断电功能、超温断电保护功能。

 二、设备组成与结构

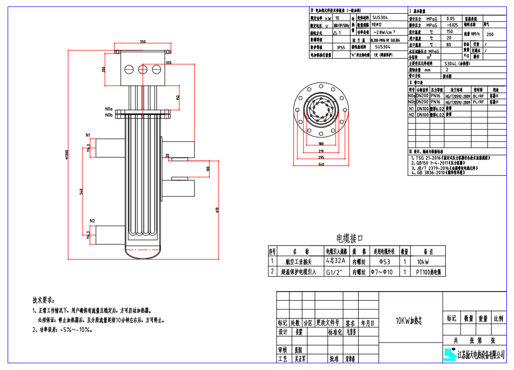
  设备包括电加热器、电控箱(控制柜)及其它必须配置的辅助设备,电加热器为管道式电加热器。

  电加热器内部装有电加热元件,对过流的气体进行加热。为保证电加热元件不受腐蚀性气体影响,管道式电加热器采用间接加热方式对过流气体进行加

热,电加热元件不直接与过流气体相接触,电加热元件与过流气体之间增加套筒或者其他隔离部件。加热元件组与供电系统连接为可快速插拔的连接件。

  如果电加热器的加热元件失效,则需要对加热芯进行更换,管道式电加热器采用人员近距离直接更换方式。

  电加热器491 HZ 01、491 HZ 02 共用一台电控箱(控制柜),电控箱(控制柜)布置于检修廊(TB1160A)。电控箱(控制柜)内有接线电缆及汇流排,控制器,接地螺栓,电源盒,电源接触器、断路器等。电加热器就地电控箱(控制柜)由供货商统一配供。电加热器的设备支架由供货商配套供货。

  注:

  1.  以上所列并非全部,供货商应备齐附件及专用工具等(每处垫片应至少提供三片,一片用于试压,一片正常使用)。

  2.  电控箱(控制柜)和相关控制设备要求供货商在完成设计后将资料提交至设计单位进行确认。

 

【江苏扬天电热设备有限公司】——信息化 数字化 智能化——義飛扬天——防爆电加热器专业制造商——为新时代中国制造加油助力——全国尊贵热线:400-777-5525 


三、环境条件

  安装后、运行前设备房间的环境条件:

  温度:0~50℃

  最大相对湿度:100%

  运行时设备房间的环境条件:

  正常运行温度:5~60℃

  外部压力:839.3 hPa~875.2 hPa(绝对压力)

  最大相对湿度:100%

  剂量率限值:≤25 μSv/h

 四、控制要求

  电加热器的加热功率均可变频调节,电加热器接收来自控制室的温度设定值和管道出口介质温度值,其加热功率与电加热器出口温度设定信号自动匹配,完成出口温度自动调节,维持电加热器出口温度在设定范围内 ( ±2℃)(电加热器自动控制模式)。电加热器也可接收主控室的功率设定信号(电加热器手动控制模式),完成出口温度的在主控室的手动调节。电加热器的启停和功率调节可以在就地电控箱(控制柜)/中央控制室两地进行,同时需要在就地电控箱(控制柜)和中央控制室内显示电加热器启/停状态、故障、输出功率、加热器管壁温度等信号。

  互为备用的电加热器,除电压失效等异常工况,正常运行中,两台电加热器有一台在运行状态,备用电加热器处于停用状态。当电加热器发生超温、漏电等故障或低流量联锁保护停时应可发出报警信号,在发出报警信号同时应具有自动断电保护功能,电加热器控制系统不仅需要提供单个故障信号给主控制

室,还需要设置一个综合报警故障信号用于主控室完成切换备用加热通道操作。

  电加热器在就地电控箱(控制柜)上设置“就地/主控室 ”开关。电加热器的就地控制在就地电控箱(控制柜)内实现,由供货商负责设计。当就地控制柜中的选择开关处于“主控室 ”位置时,就地不可控,电加热器的启停、功率调节、手动/自动模式切换等操作在主控完成;当就地电控箱(控制柜)中的选择开关处于“就地 ”位置时,主控不可控,电加热器的启停、功率调节等操作在就地电控箱(控制柜)中完成。无论就地还是主控模式,就地和主控均显示电加热器的状态。

管道电加热器03

上一篇:加热器
下一篇:烘箱
电话
18936231333
二维码

扫码关注