goods-
新闻资讯
当前位置是:首页 > 新闻资讯
熔盐电加热器
熔盐电加热器
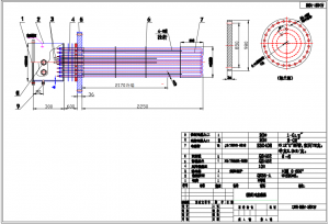
熔盐电加热器一、主要技术参数及要求 1、电源控制柜总功率为 160kW,控制2台加热器,每台功率:80kW。 2、电加热器 (1)额定总功率:160kW,单台功率:80kW (2)额定电压:380V/50HZ,三相四线,“△”型接法 (3)设计压力:1.2MPa (4)工作压力:1.0MPa (5)设计温度:430°C ,温度最高650℃,防护等级IP66,冷冻设计:非加热区长度≥100mm(温度≤60℃),引线端密封,高温硅胶,压缩石棉复合密封(6)工作温度:给熔盐槽 40m3/常温加热到 380°C 在静止状态下(需要 40 个小时) (7)被加热介质:熔盐 (8)电热管与法兰连接方式:氩弧焊焊接;水压试验:1.6MPa/2h 无渗漏。 (9)电热管内压测试,耐压测试达到 2000V/min (10)绝缘电阻:热态大于 50MΩ,冷态大于 500 MΩ。 (11)表面处理:接线腔法兰喷高温漆(12)电加热管材质:304 外径φ12,壁厚大于 1.5mm (13)每台电加热器配置测温点一处,装 K 型热电偶一支,接线端子在加热器接线盒内。 (14)电加热管散热区采用自然冷却(详见图纸)。 (15)设计寿命:10 年 (16)数量:熔盐炉电加热器3 台 、电源控制柜1台。(17)尺寸:见附图,电加热器上的折流板,卖方参照买方的数据进行详细设计。 二、电仪部分配置说明:1、通用说明:(1)加热器及其接线盒满足,IP65、WF2户内式,所有电源接线盒正常操作温度不高于60℃。热电偶安装在加热管最热处以准确测量加热管的温度,接线盒内部空间要便于接线、检查和维护,电缆口要防水、防尘措施。(2)电加热器接线盒耐热性材料必须能长期承受电加热器工作产生的热量,端子之间以及端子与接地的金属外壳或相邻导电部件之间,必须满足标准规定的最小电气间隙和爬电距离的要求。(3)接线端子及其接线柱固定结构必须具有足够的机械强度,能够承受导线连接、频繁拆卸以及使用过程中可能遇到的振动、冲击,而不会发生松动、变形、损坏等现象。(4)电气绝缘性:绝缘部件(端子台、衬垫、隔板)必须具有优异的电绝缘性和长期稳定性。(5)电加热器接线盒内需引出2米长耐高温电缆作为引线,引接至接线盒外,引线端应提前压接好接线鼻,到货后应能直接与现场电源端电缆连接,接线盒内做好防高温措施和防护措施。(6)单台电加热器引线应具备带载能力100kW,比原80kW等级高一等级。(7)电加热器应有安全可靠的静电接地措施,并配置内、外专用接地螺栓,并均有明显的接地标志。三、控制柜技术说明:(1)控制柜安装方式采用落地式安装方式,控制柜采用强制通风式结构(冷空气从柜门下方排风扇吸入,热空气从柜顶上方排风扇排出,带滤网,可拆卸)。(2)控制柜进线方式为下进下出。(3)柜体底座采用镀锌板,厚度≥2.0mm;柜体框架采用镀锌板,厚度≥2.0mm;隔板、内侧板采用镀锌板,厚度≥2.0mm;面板、外侧板采用优质冷轧钢板,厚度≥2.0mm,静电喷涂,同时不因由于成套设备的吊装、运输等情况产生变形。(4)控制柜铭牌及标牌文字应美观、醒目、清晰。(5)控制柜内主母排和分支母排采用铜母排,不允许使用电缆连接,铜母排规格符合规范要求,母排禁止裸露,需采用热缩管进行热缩。【江苏扬天电热设备有限公司】——信息化 数字化 智能化——義飞扬天——防爆电加热器专业制造商——为新时代中国制造加油助力——全国尊贵热线:400-777-5525 四、电气柜主要包含:(1)断路器(2)可控硅(3)控制回路断路器(4)交流接触器(5)按钮和指示灯(6)多功能表(电流、电压表等)(7)冷却风扇(8)支路熔断器(9)控制柜温度开关(10)配电柜下方预留250mm高,电缆敷设区。五、电气参数:(1)工作电压:380V±5%AC;(2)工作频率:50Hz ±2%;(3)环境温度:-20°C~+40°C;(4)控制电压:220V±5%AC;(5)负载配置:三相三角型;(6)控制模式:可控硅控制;(7)电缆进线方式:380V加热器控制柜为电缆下进线、下出线;(8)其它:TN-C-S系统,铜主母排(加热缩套管),独立的接地铜母排。八、控制系统说明:1、该加热器由可控硅控制,出口温度可以稳定在设定范围之内,控温精度为±3℃。2、控制柜内应设置以下保护功能。(1)总开关短路保护、过载保护;(2)漏电保护;(3)分支回路短路保护;(4)可控硅过热保护。3、控制系统将自保持住回路漏电继电器跳闸状态,待回路故障排除,跳闸回路自保持状态取消后,加热器才可重新启动该分支回路。4、控制柜应有如下指示:(1)电源指示(2)多功能表(3)加热器运行指示(4)加热器停止指示(5)可控硅超温报警指示(6)综合故障(可控硅故障、柜内温度、漏电等)(7)接地漏电注:所有故障需自保持并显示功能5、控制柜有如下控制功能:(1)加热器启动(2)加热器停止(3)就地/远程转换(4)跳闸复位(5)接地复位注:最终的控制方式以图纸已买方、卖方协商结果为准。
2026-01-19
高焓加热器组件
高焓加热器组件1. 用途及说明  电极、叠片段、过渡段、喷管喉道等组件是高焓电弧加热器设备的核心结构。采用3D打印工艺制造,可实现工质流道的合理优化,降低冗余体积,有效减轻电弧加热器内壁烧损状况,延长加热器使用寿命,提高加热器运行效率,并减少气体工质中的金属蒸气杂质,提高工作气体纯净度。2. 技术要求  1)乙方提供的所有设备和材料应是新的和优质的,不采用任何带有试验/原始型/示范性的设备,制造前应向甲方提供优质T2-Cu打印球型粉的具体参数;  2)高焓加热器组件所包括电极、叠片段、过渡段、喷管喉道等,其内外腔圆度0.08、同轴度0.05,左右端面平面度0.04、平行度0.06,表面光洁度Ra6.3,上述尺寸公差可接受二次加工后达到,但应留足加工余量,且加工至指定尺寸后,结构件整体仍满足致密度、强度及刚度要求;  3)高焓加热器组件的功能或工艺圆孔,要求非二次加工的圆度0.015,表面光洁度Ra6.3;  4)高焓加热器组件不能有熔蚀、砂眼、凹坑等结构性缺陷,不能堵塞功能或工艺圆孔;  5)高焓加热器组件致密度不低于99.8%,做水压试验,通8MPa高压水5分钟不能渗漏;  6)高焓加热器组件导热系数均与T2-Cu材料的偏差在1%以内;  7)乙方所供加热器全部组件应整体供货到现场,运输条件与运输保护措施需满足甲方与气象环境的要求,不得影响成件的结构、性能和使用功能;【江苏扬天电热设备有限公司】——信息化 数字化 智能化——義飞扬天——防爆电加热器专业制造商——为新时代中国制造加油助力——全国尊贵热线:400-777-5525 3. 验收标准和方法3.1总则  由乙方提供的设备,原材料按规定和标准进行必要的检验和试验,以证实设备、材料满足相应的规范和标准的要求,在设备制造工作完成时,进行试验以证明其性能符合本规范及相应标准的条款,并满足可靠、稳定运行的要求。试验所用的全部测试仪器应进行常规校正,结果由甲方检查。工厂试验报告由乙方完成,但试验的结果取得甲方的认可。设备部件都进行生产厂检验测试,以便确定制造工艺和材料是否有缺欠以及设计和装配是否满足合同要求。3.2参数要求  该高焓加热器组件的成型件在我方整体系统运行中,应满足以下条件,方可达到验收合格。  1)T2-Cu球型粉及成件结构尺寸满足本文件设备材料表要求,并出具相应检测及合格报告  2)高焓加热器组件不能有熔蚀、砂眼、凹坑等结构性缺陷,不能堵塞U型圆孔  3)高焓加热器组件若尺寸公差、光洁度等需要二次加工,应保证留足加工余量,且加工至指定尺寸后,结构件整体仍满足致密度、强度及刚度要求  4)高焓加热器组件致密度不低于99.8%,做水压试验,通8MPa高压水5分钟不能渗漏  5)高焓加热器组件的导热系数与T2-Cu材料的偏差在1%以内4.安装调试及技术服务  乙方负责将成套设备运送至项目现场,由甲方负责安装。乙方须有人员进行指导安装,并在安装完成后对甲方人员进行技术培训。  乙方需保证所供设备安全、正常投运。在甲方要求的情况下,乙方应派出合格的现场服务人员,在甲方安排的时间段内提供现场技术指导。  为使合同设备能正常安装、调试、运行、维护及检修,乙方有责任提供相应的技术培训。培训内容应与工程进度相一致。培训的时间、人数、地点等具体内容由甲乙双方商定。5.质保期和售后服务  设备质保期为系统试运行验收合格后1个月。在质保期内乙方提供的设备如出现质量问题(非错误操作所致),乙方应免费负责处理或更换,更换的部件不计入随机备品中,免费更换后的部件或设备质保期顺延1月。处理质量问题所发生的一切费用由乙方负责。  在质保期内和质保期外如遇到设备发生大的故障,乙方接到甲方的通知后,应在24小时内给出回复,协助甲方处理故障。  若供应商未及时响应质量担保期内的应承担的修理、更换和服务时,采购方有权自行处理,但费用由供应商承担,并在质保金中扣除。
2026-01-17
真空高温梯度加热台
真空高温梯度加热台一、概述  真空高温梯度加热台,使用两片氮化硼绝缘加热片,对指定长条型金属样品两端分别进行加热,并使样品两端达到不同温度,同时加热回路与样品间具有一定绝缘性。另外包含一个加热测试真空室。【江苏扬天电热设备有限公司】——信息化 数字化 智能化——義飞扬天——防爆电加热器专业制造商——为新时代中国制造加油助力——全国尊贵热线:400-777-5525 二、技术参数要求  可安装金属样品尺寸:14*6*1mm  加热台工作环境:真空环境,真空度好于1*10-4Pa  加热要求:中心6mm长度区域内形成温差,在该区域的两端分别安装热电偶进行测温,并能够分别进行温度控制:一端为700℃,另一端为400℃。  加热台外形:尺寸不大于100*100*100mm。金属样品正面无遮挡,不影响束流及红外测温。  加热台输入电流/电压要求:直流,电压不超过40V。加热台底座带真空水冷台,水冷台尺寸不超过160*120*30mm。  绝缘要求:在达到上述要求温度时,加热回路对样品的漏电流小于1微安。  氮化硼绝缘加热片:电阻小于10欧,600℃以下漏电流小于10nA,最高工作温度1500℃,最大功率不小于200W,附带2个50mm长M2的Ta电极螺杆,以及4个M2的Ta螺母。  加热测试真空室:真空室腔体尺寸不小于300mm*200mm*130mm,壁厚不小于8mm。上盖板采用O圈密封,两侧具有CF100法兰接口及CF80法兰接口。CF80法兰可与CF80真空插板阀连接,CF100法兰盖板焊接2个水冷管路接口。真空室侧壁上具有1个高真空BNC连接器及1个14芯真空密封航空插头。真空室漏率好于1*10-9Pa*m3/s。供货方依据以上技术参数进行设计及加工制作。
2026-01-14
加热炉
加热炉  加热炉为配合热成形压机实现薄壁钛合金喷管瓜瓣热成形。1.该设备为专用的钛合金热成形加热炉,主要用于厚度为 1mm~5mm 的薄壁钛合金喷管瓜瓣热成形。2.机床工作区由一个大的加热室组成,采用隔热板/结构钢热屏蔽板进行全封闭。加热室由四个隔热门(墙)与上、下工作台构成加热炉炉体。四个隔热门(墙)可向内/向外平移运动,确保平台运动和对工作区进行热隔离、密封。前后门可垂直上下提升/下降,以提供进出炉腔的通道,保证零件和模具的装卸全程无障碍。系统加压时,前后门、侧门向内自动可靠压紧,系统卸压时,前、后、侧门自动向外松开,并可手动操作。升起前后隔热门后, 可从压机的前面和后面来装卸模具和工件。3. 两侧保温墙和前后门都采用优良的内衬板,热屏蔽盖板外表面采用不锈钢盖板。炉门保温棉内有保护层,材质为耐高温板材,防止保温棉脱落。在加热工作状态下机床外表面任何能接触到的地方温度不得超过 50℃。加热平台为金属材料,在 1000℃的工作环境下可长期使用,能抗高温、抗热辐射,具有良好的热传导性及抗压强度。4. 设备主要参数和安装环境4.1 设备主要参数                序号                             项目                             单位                          参数                                   备注                  1                    加热空间(长 x 宽 x 高)           mm                  2000×1500×1200                  2                    最高加热温度                             ℃                             ≥1000                  3                    最大升温速率                             ℃/h                       150 空载                  4                    升温速率范围                             ℃/h                      0~150 可调                  5                    炉温均匀性                                 ℃                    ±5 650℃~850℃                  6                   加热区数量                                   个                            ≥12                  7                   加热仪表精度                               ℃                       ≤±1 1 级 K 偶                  8                   加热管使用寿命                             h                            ≥6000h                  9                   加热区温差                                   ℃                            ≤50                 10                  炉壁外表面温度                             ℃                    ≤50 机床外表面                 11                  模具及工件热电偶数量                    个                 ≥12 布置于压机两侧4.2 安装环境要求参数               序号                              项 目                            单位                           参 数                                 备 注                 1                                电 源                        380V 50Hz                    三相五线                 2                                功率                               KW                          约 400                 3                                温 度                              ℃                             0~40                 4                             相对湿度                           ≤95%5. 炉体技术要求5.1 加热平台为金属材料,在 1000℃的工作环境下可长期使用,能抗高温、抗热辐射,具有良好的热传导性及抗压强度。5.2 平台最大升温速度不小于 150℃/h,升温速度 0℃~150℃/h 编程可调,升温过程平台各区的温差≤50℃。5.3 加热系统由插入金属平台的多段式加热器(元件)组成,更换加热器方便、快捷。加热管在加热平台表面的下方布置贯穿平台,形成多个加热温区,每个平台模块可安装多根加热管。加热管可进行快速拆卸和更换(详细阐述更换方式,更换时间短优先考虑)。加热管寿命大于 6000 小时 ( 累计加热时间 ) ,或甲方正常使用 2 年以上。5.4 加热管连接到上、下工作台加热区外部的配线端子区域,采用封闭设计,并装有吹风装置,对配线端子处进行通风散热,并持续监视接线盒内的温度,以确保加热线路安全。5.5 每一个平台加热区都采用计算机控制和监控。如果温度达到设定的极限值,能驱使隔离开关切断,隔离此区域。每一个加热区都有单独的 K 型热电偶进行反馈控制,并预留备份,便于通过在端子上更换接线及时恢复设备正常控制。当加热管损坏时,监控系统发出警报,指示应当更换加热元件,并且能够识别具体某根加热管损坏的位置,便于更换加热管及热电偶。5.6 加热系统分区加热,上工作台、下工作台均布加热区,加热区均布且不少于12 个。每个加热区均有两根 1 级 K 型热电偶,分辨率≤±1℃。一根监控平台均温性,一根控制单区和隔壁区的加热温度,各区测温点均匀分布在上下工作台,通过调节器和功率调整单元控制,每个加热区域的温度设定值可调,双重温度监控来保证整个金属加热平台均温良好,要求在 650℃~850℃时为±5℃以内。提供包括预验收和终验收所需测温用热电偶。5.7 配备 12 个模具热电偶接口,半数位于上模,半数位于下模,接口位于压机两侧,通过上、下工作台的转接盒连接于控制柜。5.8 加热炉前后保温门上下滑动以便梭车进/出设备、装卸零件和模具。5.9 加热系统为分区加热,通过系统设定调整每个加热区的加热温度。每个加热区热电偶配有独立超温开关保护加热器和金属平台,当温度超过设定值时,控制系统会立即切断电源来保护金属平台和加热管并同时报警通知操作员。所有热电偶都是独立的,单独通过插头连接于控制柜。5.10 每个温区的控制热电偶和超温热电偶均采用冗余措施,确保工作中发现损坏热电偶时可及时更换到备用电偶上。5.11 加热管正常工作寿命≥6000h。5.12 热辐射标记应清楚地标识在机床上明显位置,并且有指明机床和加热运行状态的警示灯。【江苏扬天电热设备有限公司】——信息化 数字化 智能化——義飞扬天——防爆电加热器专业制造商——为新时代中国制造加油助力——全国尊贵热线:400-777-5525 6. 电气系统6.1 电气控制系统包括一个工业控制计算机/PLC 控制系统)+现场总线的方式,彩色中文界面。操作人员从控制系统的操作台上可控制所有的机床参数(加热平台每个区域的温度、液压、气压、上下工作台位置、时间等),数据以表格和图形曲线两种方式输出。如果采用工业控制计算机系统对设备进行控温,用于控温和模具温度采集的模块的仪表(包括 PID 调节器)准确度等级应不低于 0.2 级。PLC 控制所有机床功能,安全和互锁。人机交互装置应安装在方便操作和观察的位置及高度。6.2 控制系统采用大于 19 英寸的彩色触摸屏幕并配有键盘 (用来修改工艺参数 ),一个不间断电源系统 (UPS ) ,配备中文界面、简洁明了的编程界面,及实时显示所有的平台温度,液压,平台位置,保压时间。可储存≥1000 份成形工艺文件和≥1000 次生产过程记录(包括设备故障记录)。所有维修信息及零部件信息在硬盘中有备份,并可以随时查看。6.3 设备配备控制盒,便于操作员对设备进行操作。6.4 控制系统可编程,可实现存盘、读取、编辑等功能。系统访问储存的参数可通过操作者触摸屏输入新的加工过程参数,也可对已有的参数进行更改;需通过密码登陆。乙方提供整个系统软件备份。6.5 设备可通过预先设置的程序自动完成升温和降温整个循环过程,全过程进行中不需要操作人员介入对应每个成形过程,都可输出下列的参数跟随时间的变化:各平台区的温度、模具上的温度、闭合压力、平台位置、各成形 3 段的时间、工艺参数。系统还包括彩色生成报告。6..6 电气原理图和接线图和实际相对应,设计合理,标识和线号清楚准确,便于维修和维护。6.7 安装在电气系统中的隔离开关可以将整台机器与电网隔离开来,线缆从电气柜底部进入,工业控制计算机和 PLC 系统配置一个不间断电源系统(UPS)。6.8 系统可以提供不少于 12 根 K 型热电偶(压机两侧,每侧 6 根), 用来记录成型模具及工件温度,这些温度将显示并可以保存在计算机控制系统里。热电偶插座位于热屏蔽侧板外,临近工作区。6.9 加热控制逻辑,可以提供操作员选择合适的加热速率,加热速率编程可调:0℃~150℃/小时。6.10 系统具有故障自诊断报警和自动保护设备功能。在异常情况出现后,可紧急停止设备运行,并显示出故障信息和故障部位。报警模式有呜铃及闪灯,警告操作员超出限值的情况,控制台上有重新复位的按钮取消报警。6.11 设备可在自动和手动模式下操作。6.12 提供控制软件包,列出功能清单。6.13 操作台配备空调降温系统。6.14 系统中具备工作小时记录功能。6.15 具备 USB 驱动器和 DNC、网络连接功能。设备硬件接口应该具备可供工控网系统使用的 RJ45 接口,满足 TCP/IP 网络协议。设备支持提供可供工控网系统调用的 OPC 等通用接口,并开放接口,提供接口通讯协议、调用地址、字段说明和接口函数调用的说明文档,此外,工厂在进行设备联网和数据下发、采集工作时,设备实施方需无偿到现场配合。6.16 主电源部分包括主电源总开关,加热管电压降压器, 配电盘和带有过载(过电流)保护的电机控制硬件。 系统输入电源为三相 380 伏, 50 赫兹。备有输入功率滤波设置,用于监控输入电网电压的波动状态,如有电源电压超限,即时反馈给设备控制系统。6.17 控制电源部分包括带以太网口的(西门子、A/B 公司或相当品牌)可编程控制器, 电源供应, 放大器板卡和加热管的可控硅固态继电器。梯形图逻辑控制程序会随系统提供给甲方。6.18 电气控制柜有空调降温系统,并具有防尘密封功能,以保证设备的长时间运行。6.19 电气硬件部分增加输入/输出 IO 点各 5 个,用于同超塑功能模块的信息交换。6.20 软件部分在界面提供超塑功能选项,并提供后期外接超塑功能相关接口参数(包含超塑功能启动、停止、报警等功能)。6.21 加热炉外侧预留气路安装空间,加热平台材质选用含镍金属材质以满足超塑功能的使用温度,设备最高加热温度≥1000℃。
2026-01-12
烘箱
烘箱  一、主要技术参数       序号     项    目                               内           容                                                                备      注         1                    型    号                         YT-HM-3D型热风循环烘箱              2                工作室尺寸         1900×1700×1700 mm(宽×深×高)                                   双开门         3                  外形尺寸                          2500×2000×2000 mm(宽×深×高)                          高度仅指箱体高度         4                  设备总重                                      2000 Kg          5                  工作电源                  ~380V±10% 50Hz 三相五线制(TN-C-S)          6                设备总功率   120kW左右 工作电流为:182A 左右                                 7              使用温度范围                     室温~350℃          8                 升温时间                   空载时,升温到350℃速度在 30 分钟以内          9                温度均匀度                     ±1℃(恒温时)                                                           在最高温度情况下空炉测试        10                 加热功率                                      60kW×2         11                 鼓风功率               设置2台鼓风机,每台功率1.5 kW,风叶为不锈钢离心风叶                   单体2只        12                 进气配置                                   各设2个进气阀         13                 排气方式              设置电动排气,功率0.25KW,二体共用。排气有自动和手动。                                                              自动时有间歇式排气,时间可以调节。         14                温度传感器                     型号:PT100                                                                       4支    未提及部分参照GB5170-85及JB/T5520-91标准执行。  二、箱体结构及配置  1.箱体结构    结构形式:整体式结构;          开门结构:手动正面双开门;     箱体材料:箱体为国标 304 不锈钢制作,内胆厚度不低于 3mm,外层碳钢厚度不低于 2mm, 内外部必须抛光处理,平整,无刮碰,    车子及材料:车子用40*40不锈钢方管及不锈钢角钢或不锈钢折边成型。每个车子为 12 层盘子,每层放置 1 个盘子,共 2 个车子,合计 24 个盘子。车子 的轮子为耐高温、无脱落物材质,车子牢固不易变形,每个车子能承受500kg 的重量;      盘子:盘子材质为 SUS304L材质,厚度为 1mm;    保温材料:箱体保温采用优质高密度保温材料;箱体保温层厚度≥100mm;大门保温层厚度≥128mm;    密封材料:硅橡胶 ;     设备颜色:不锈钢本色。  2.热风循环部分    加热室位置:顶加热;    电加热器:星形接法  ~220V 50Hz  表面低负荷电加热管;    循环方式:水平送风。     【江苏扬天电热设备有限公司】——信息化 数字化 智能化——義飞扬天——防爆电加热器专业制造商——为新时代中国制造加油助力——全国尊贵热线:400-777-5525  3.电气控制部分    控制柜:壁挂式式控制柜,放置于烘箱右侧;    主控器:PLC、触摸屏与温度控制器485通讯,PT100温度反馈与温度控制器配合,达到温度精密控制,控制界面人性化、科学化,控制数据网络共享等,有超温时声光报警;    报警表:报警表,传感器用PT100,有超温时声光报警;    触摸屏:温度根据工艺要求设定。报警信息更直观更详细;    加热调节:固态继电器调节加热功率,有效节能。  4.安全保护及控制  (1)漏电保护断路器:防止加热回路漏电、过载及短路保护;  (2) 报警灯:对设备故障实现声光电报警;  (3) 熔断器:防止控制回路短路;  (4)温控仪表:控制烘箱内的温度;  (5)固态继电器:无触点调节温升速率;  (6) 信号灯:显示内部工作状态;  (7)旋钮:指令操作。三、 质量及售后服务承诺  3.1、供方提供给需方的烘箱是技术成熟的、全新的产品,满足国家标准和本技术协议签定的各项技术要求。供方确保出厂产品经过严格检测,性能稳定可靠,资料齐全,每一台产品均为完美品质的体现,为需方创造更好的价值。  3.2、除本协议已经规定的原材料、元器件选型外,其他所需外购件供方选择品质优良、信誉良好、符合国家或相关技术标准的生产厂家,对所有外购件按ISO9001质量管理体系规定进行严格的检测。  3.3、需方应按供方提供的《产品使用说明书》及《产品使用维护注意事项》中注明的操作规程使用设备。如果需方未按操作规程使用或未采取有效的安全接地措施,引起所烘工件损坏及造成其他事故,供方不承担赔偿责任。  3.4、供方为需方提供售前、售中、售后全方位的一流服务。产品在安装或运行过程中出现的任何问题,接到用户信息后,保证在一个小时内给予答复,如需派人到现场解决,保证在24小时内人员到场处理相关问题,使产品正常运行。  3.5、供方承诺产品质量自产品出厂之日起壹年内免费维修,终身服务。  3.6、如遇设备故障请及时与供方联系,供方售后服务电话。
2026-01-10
计量加热器撬
计量加热器撬1. 技术参数   计量加热器撬CEPD-X-1301:  受限尺寸、重量3000×2500×2800mm  6吨   热功率:90kW    设计压力/操作压力(kPaG):  管程1150,壳程1150/管程750,壳程400   设计温度/操作温度 :  管程250,壳程250/管程20.2~55,壳程160~100,壳体、封头材料要求等:Q345R   管程材料要求:316L   法兰、锻件 材料要求等:16Mn   内件材料:S31603   支架、鞍座、吊耳材料要求等:Q235B2.性能要求:  1)容器按GB150-2011 《钢制压力容器》规范及TSG 21-2016固定式压力容器安全技术监察规程进行设计、制造、检验;  2)容器,罐体、封头、接管材料需要有材质证书;  3)容器人孔盖形式(如快开式法兰式);  4)图纸需向甲方报审;  5)甲方提供撬外电缆外径尺寸信息给供货方以备填料函供货;  6)常压容器的加强板,补强板需设泄气孔,进行严密性试验;  7)壳体的焊接制作要求要按压力容器规格书要求进行;  8)业主及代表放行同意的每个行动不解除厂家负有执行规范、标准条款的责任;  9)乙方应在常压容器盛水试验前焊接好保温支架、撬内管支架等部件;  10)乙方应在常压容器盛水试验后出厂前完成伴热孔的开设;  11)乙方需提供保温、伴热计算书及材料料单;  12)对容器及接管法兰焊缝的所做的RT,实际中如不能进行RT,在用UT代替前,应报经业主同意;  13)有热处理的,先热处理后进行射线探伤;  14)容器内表面、外表面及附属件按照涂装规格书SPC-GEN-CC-1001要求执行。【江苏扬天电热设备有限公司】——信息化 数字化 智能化——義飞扬天——防爆电加热器专业制造商——为新时代中国制造加油助力——全国尊贵热线:400-777-5525 3.功能要求:  1)供货范围为PID图框线范围(包括底撬及撬内阀门电气、仪表及连接管线);  2)容器外部附件配备鞍式支座,裙座,衬垫,人孔加强圈,管夹,吊耳,支架等;  3)容器内部附件有捕雾器、涡流破碎器、过滤网等;  4)容器设计配备鞍座/支座/梯子、吊耳,吊耳带有检验证书;其强度要满足要求,必要时厂家须提供容器及撬的吊装方案;  5)所有紧固螺栓/螺母材质及防腐为:Bolts/nuts SA193 B7 SA194 2H 42CrMoA/35CrMoA (GALV. +Xylan Fluoropolymer Coated);  6)撬内电气设备及接线箱、按钮盒等如在防爆区域,需符合EX Ⅱ BT4要求;  7)乙方确定撬外电缆选型后,甲方提供外径尺寸信息给供货方以备填料函供货;  8)容器的加强板,补强板需设置泄气孔 ;  9)提供所有常压容器的配对法兰及垫片、紧固螺栓、螺母;  10)提供调试备件、备品备件;其中调试备件:螺栓按照撬块螺栓总数20%提供,垫片按照撬块垫片总数100%,备品备件:螺栓按照撬块螺栓总数20%提供,垫片按照撬块垫片总数100%;提供其它必须的专用工具、操作维修工具,满足操作维修要求;  11)设备如单重超10吨,需要分装运输,在海上组装,需要供货方在海上组装中安排人员进行技术服务。4.关键技术要求  1)供应商应保证所提供的管壳式换热器的热功率值符合数据表的要求。  2)管壳式换热器应为制造商的标准或成熟产品;需提供2项已完成的加热器撬等采购类似项目业绩合同业绩。  3)设备应为海洋或海上平台类型,供应商应自费安排检查,并从COOOSO授权的认证机构(ABS、DNV.GL、BV和CCS)获得成撬设备的最终证书。5.检测和试验  明确产品检测或试验要求,可明确相应的检测标准和试验方法,优先考虑采用公认的或已颁布的标准检验方法:  a)生产过程检验按照批复的ITP计划,需要甲方在制作节点现场见证。  b)无损检验按NB/T47013《承压设备无损检测》规范进行。  c)要求有产品合格证。  d)要求有有第三方检验,有整撬设备船检证。6.质量保证  1)设备质保期12个月(设备调试报告签署之日起),在质保期内所有产生质量问题的设备或相关附件厂家应免费进行更换或到现场进行维修。  2)到货验收不合格,无条件退货。
2026-01-07
熔盐电加热器
熔盐电加热器一、主要技术参数及要求 1、电源控制柜总功率为 160kW,控制2台加热器,每台功率:80kW。 2、电加热器 (1)额定总功率:160kW,单台功率:80kW (2)额定电压:380V/50HZ,三相四线,“△”型接法 (3)设计压力:1.2MPa (4)工作压力:1.0MPa (5)设计温度:430°C ,温度最高650℃,防护等级IP66,冷冻设计:非加热区长度≥100mm(温度≤60℃),引线端密封,高温硅胶,压缩石棉复合密封(6)工作温度:给熔盐槽 40m3/常温加热到 380°C 在静止状态下(需要 40 个小时) (7)被加热介质:熔盐 (8)电热管与法兰连接方式:氩弧焊焊接;水压试验:1.6MPa/2h 无渗漏。 (9)电热管内压测试,耐压测试达到 2000V/min (10)绝缘电阻:热态大于 50MΩ,冷态大于 500 MΩ。 (11)表面处理:接线腔法兰喷高温漆(12)电加热管材质:304 外径φ12,壁厚大于 1.5mm (13)每台电加热器配置测温点一处,装 K 型热电偶一支,接线端子在加热器接线盒内。 (14)电加热管散热区采用自然冷却(详见图纸)。 (15)设计寿命:10 年 (16)数量:熔盐炉电加热器3 台 、电源控制柜1台。(17)尺寸:见附图,电加热器上的折流板,卖方参照买方的数据进行详细设计。 二、电仪部分配置说明:1、通用说明:(1)加热器及其接线盒满足,IP65、WF2户内式,所有电源接线盒正常操作温度不高于60℃。热电偶安装在加热管最热处以准确测量加热管的温度,接线盒内部空间要便于接线、检查和维护,电缆口要防水、防尘措施。(2)电加热器接线盒耐热性材料必须能长期承受电加热器工作产生的热量,端子之间以及端子与接地的金属外壳或相邻导电部件之间,必须满足标准规定的最小电气间隙和爬电距离的要求。(3)接线端子及其接线柱固定结构必须具有足够的机械强度,能够承受导线连接、频繁拆卸以及使用过程中可能遇到的振动、冲击,而不会发生松动、变形、损坏等现象。(4)电气绝缘性:绝缘部件(端子台、衬垫、隔板)必须具有优异的电绝缘性和长期稳定性。(5)电加热器接线盒内需引出2米长耐高温电缆作为引线,引接至接线盒外,引线端应提前压接好接线鼻,到货后应能直接与现场电源端电缆连接,接线盒内做好防高温措施和防护措施。(6)单台电加热器引线应具备带载能力100kW,比原80kW等级高一等级。(7)电加热器应有安全可靠的静电接地措施,并配置内、外专用接地螺栓,并均有明显的接地标志。三、控制柜技术说明:(1)控制柜安装方式采用落地式安装方式,控制柜采用强制通风式结构(冷空气从柜门下方排风扇吸入,热空气从柜顶上方排风扇排出,带滤网,可拆卸)。(2)控制柜进线方式为下进下出。(3)柜体底座采用镀锌板,厚度≥2.0mm;柜体框架采用镀锌板,厚度≥2.0mm;隔板、内侧板采用镀锌板,厚度≥2.0mm;面板、外侧板采用优质冷轧钢板,厚度≥2.0mm,静电喷涂,同时不因由于成套设备的吊装、运输等情况产生变形。(4)控制柜铭牌及标牌文字应美观、醒目、清晰。(5)控制柜内主母排和分支母排采用铜母排,不允许使用电缆连接,铜母排规格符合规范要求,母排禁止裸露,需采用热缩管进行热缩。【江苏扬天电热设备有限公司】——信息化 数字化 智能化——義飞扬天——防爆电加热器专业制造商——为新时代中国制造加油助力——全国尊贵热线:400-777-5525 四、电气柜主要包含:(1)断路器(2)可控硅(3)控制回路断路器(4)交流接触器(5)按钮和指示灯(6)多功能表(电流、电压表等)(7)冷却风扇(8)支路熔断器(9)控制柜温度开关(10)配电柜下方预留250mm高,电缆敷设区。五、电气参数:(1)工作电压:380V±5%AC;(2)工作频率:50Hz ±2%;(3)环境温度:-20°C~+40°C;(4)控制电压:220V±5%AC;(5)负载配置:三相三角型;(6)控制模式:可控硅控制;(7)电缆进线方式:380V加热器控制柜为电缆下进线、下出线;(8)其它:TN-C-S系统,铜主母排(加热缩套管),独立的接地铜母排。八、控制系统说明:1、该加热器由可控硅控制,出口温度可以稳定在设定范围之内,控温精度为±3℃。2、控制柜内应设置以下保护功能。(1)总开关短路保护、过载保护;(2)漏电保护;(3)分支回路短路保护;(4)可控硅过热保护。3、控制系统将自保持住回路漏电继电器跳闸状态,待回路故障排除,跳闸回路自保持状态取消后,加热器才可重新启动该分支回路。4、控制柜应有如下指示:(1)电源指示(2)多功能表(3)加热器运行指示(4)加热器停止指示(5)可控硅超温报警指示(6)综合故障(可控硅故障、柜内温度、漏电等)(7)接地漏电注:所有故障需自保持并显示功能5、控制柜有如下控制功能:(1)加热器启动(2)加热器停止(3)就地/远程转换(4)跳闸复位(5)接地复位注:最终的控制方式以图纸已买方、卖方协商结果为准。
2026-01-05
浸入式电加热器
浸入式电加热器  1.乙方确认根据甲方0版采办料单进行供货;  2.乙方确认电加热器满足技术规格书:BD-SPC-CEPA-EL-1007 SPECIFICATION FOR ELECTRICAL FACILITIES FOR PACKAGED EQUIPMENT中的要求;  3.乙方确认按钮盒的材质为316L stainless steel,工作电压为110V AC,防爆等级满足Exd ⅡB T4,防护等级为IP56或IP66,按钮盒配有2个按钮(红色运行,绿色停止),2个指示灯(红色运行,绿色停止),按钮盒的接线电缆规格为7C x 1.5mm2,需将公共端自行跨接,进线填料函为规格为M25,乙方提供接线端子;  4.乙方确认电加热器防爆等级满足Exd ⅡB T4,防护等级为IP56或IP66,并供货时提供国家认可的主管机关颁发的防爆合格证,国家认可的主管机关包括:  (1)苏州电器科学研究院股份有限公司  (2)国家低压防爆电器质量监督检验中心  (3)机械工业低压防爆电器产品质量监督检测中心  (4)上海仪器仪表自控系统检验测试所有限公司  (5)国家防爆电气产品质量监督检验中心  (6)国家防爆产品质量监督检验中心(天津)/石油和化学工业电气产品防爆质量监督检验中心  (7)国家煤矿防爆安全产品质量监督检验中心  (8)国家有色冶金机电产品质量监督检验中心  (9)机械工业防爆电气设备质量监督检测中心 (10)国家煤矿防尘通风安全产品质量监督检验中心 (11)上海煤科检测技术有限公司(国家采煤机械质量监督检验中心) (12)济宁市产品质量监督检验所 (13)国家煤矿支护设备质量监督检验中心  【江苏扬天电热设备有限公司】——信息化 数字化 智能化——義飞扬天——防爆电加热器专业制造商——为新时代中国制造加油助力——全国尊贵热线:400-777-5525   5.乙方确认电加热器加热管外壳、接线腔外壳和法兰材质为316L stainless steel,电热元件发热材质为Cr20Ni80;  6.乙方确认电加热器、温度开关配有接线端子或触点,电加热器接线腔配有对应开孔及填料函,用于控制电缆接入;  7.乙方确认电加热器温度开关型式为双刀双掷或采用两组单刀双掷并联;  8.乙方确认电加热器加热的温度大于等于50℃时,电加热器接线腔需与设备法兰之间保证一定的冷端长度,确保接线腔内电气元件不受高温影响;  9.乙方确认电加热器及按钮盒电气接口配黄铜镀镍填料函,且配有热缩护套,备用电气接口提供316SS防爆堵头;  10.乙方确认按钮盒配有安装附件,包括螺栓、螺母、垫片等配套的附件;  11.乙方确认电加热器功率密度为2.0W/cm2;  12.乙方确认220V,50Hz,功率为1KW,接口为2”NPTM的电加热器外形尺寸需按照甲方要求的电加热器图纸进行设计,其中接线腔最大外径为133mm,接线腔端盖至接线腔底端不超过150mm,冷区和加热区域长度根据实际项目进行确定;  13.乙方确认220V,50Hz,接口为1”NPTM的电加热器外形尺寸需按照甲方要求的尺寸进行设计,具体要求如下:(1)接线盒外圆直径不大于85mm;(2)外伸长度不超过170mm(电加热器接线盒端盖至螺纹末端长度)。  14.乙方确认功率为1KW的电加热器其温度控制功能(即通断电)由电加热器内部实现,即无需外接电缆引入电加热器内部温度开关触点通过外部继电器或接触器实现电加热器通断电,乙方确认提供2支测温元件和2个温控开关来实现上述功能,分别用于实现温度调节功能和防干烧功能,测温元件应与加热元件保持一定距离,保证测量的准确性;  15.乙方确认220V,50Hz,接口为1”NPTM的电加热器其温度控制功能(即通断电)由电加热器内部实现,即无需外接电缆引入电加热器内部温度开关触点通过外部继电器或接触器实现电加热器通断电,乙方确认提供1支测温元件和1个温控开关来实现上述功能,用于实现温度调节功能,测温元件应与加热元件保持一定距离,保证测量的准确性;  16.乙方确认在保修期内出现任何质量问题,乙方提供免费现场维修;  17.乙方确认电加热器及按钮盒铭牌材质为316 stainless steel;  18.乙方确认根据甲方提供的电缆线径选择合适的填料函;  19.乙方确认电加热器根据甲方在不同项目中设计压力和温度进行设计;  20.乙方确认电加热器冷端长度根据甲方在不同项目中的要求进行设计;  21.乙方确认温度开关的调节范围为0~120℃;  22.乙方确认其他技术要求参考规格书:BD-SPC-CEPA-EL-1007 SPECIFICATION FOR ELECTRICAL FACILITIES FOR PACKAGED EQUIPMENT(CN-USP-BHB-CFD6-4) REV0  23.乙方确认提供产品合格证、端子接线图、设备外形图、防护防爆证、材质证书;  24.乙方确认电加热器出厂前进行水压测试,试验压力应为设计压力的1.5倍,并提供水压测试报告;  25.乙方确认电加热器加热套管与管板焊接后进行100%PT检测,符合NB/T4 7013.5-2015规定的Ⅰ级为合格;  26.乙方确认随货提供电加热器和按钮盒用于海上固定平台以及FPSO上部模块B类产品检验证书(五大船级社均可,包括DNV、ABS、CCS、BV、LR,不接受其分支机构)等有效技术文件。
2025-12-31
蒸汽加热器
蒸汽加热器1. 设计和运行条件及要求  1.1.辅助蒸汽加热器布置在室外,壳侧走蒸汽,管侧走凝结水。  1.2.蒸汽加热器设计参数及技术要求:     1)辅助蒸汽参数为:压力为0.8~1.3MPa、温度为250~350℃。     2)辅助蒸气加热器技术数据表(单台辅助蒸汽加热器,每台机组配 1 台)          序号      项目                                单位                              数值               备注            1                      型式                                   /                             管壳式             2                外形尺寸(外径×长)                  m×m             3                      寿命                                  年                                30             4                  总传热面积                  ㎡             5                流程数(管程/壳程)                   /                                2/2             6              凝结水温度(进口/出口)                ℃/℃                               76/85           考虑10%余量            7           入口蒸汽参数(压力/温度)               MPa/℃                                         参考辅助蒸汽参数            8         出口冷凝水参数(压力/温度) MPa/℃             9                换热管外径×壁厚            mm×mm×mm                              详见图纸           10               材质/壳体/换热管                    /            11                     换热管数                            根            12                     管内流速                   m/s            13    壳程压力降                   MPa            14                    管程压力降                   MPa            15       加热器重量                     t            16         管程热媒重量/壳程流体重量          t                                 /            17                      检修方式                     /            18                设计压力/管程/壳程                  MPa                             6.3/1.6            19                设计温度/管程/壳程                    ℃                            150/390            20                   设计流量/管程              t/h                              1110            21                     疏水温度    ℃                               ≤95            22        管程阻力 MPa                              ≤0.03 【江苏扬天电热设备有限公司】——信息化 数字化 智能化——義飞扬天——防爆电加热器专业制造商——为新时代中国制造加油助力——全国尊贵热线:400-777-5525 2.技术条件   2.1  设备性能要求  (1)凝结水蒸汽加热器的水侧设计压力不低于6.3MPa,凝结水蒸汽加热器的蒸汽侧压力不小于1.6MPa。  (2)删除  (3)若凝结水蒸汽加热器面积不足,后期由卖方补足,且不产生价格因素。  (4)删除。  (5)蒸汽加热器的管束和壳体的膨胀应协调一致,防止过大的热变形应力。水室入口和壳体内部的部件无过度腐蚀。所有负荷下运行平稳,无过大噪声、振动或变形。  (6)加热器为了控制疏水水位和保证在所有条件下疏水区中的管子浸在水中,加热器必须有足够的贮水容量。  (7)为维修方便,加热器设计成固定管板式结构,以供堵管时进行维修。并在加热器设备上装设起吊构件。  (8)为防止管束受冲击、振动和冲刷,在加热器设计中所有蒸汽及疏水进口管座内侧设有不锈钢的冲击板,卖方提供管子与管板的胀接或焊接及堵管补焊时的工艺处理过程。  (9)删除。 (10)加热器上大于DN50的所有接管采用焊接、接管伸出设备外的长度不得小于200mm。使接口露于保温层之外,并提供固定保温层的保温带(无需现场焊接)。应有充氮保护接口。加热器的壳侧和管侧均应设置放水管接口供加热器停用时放水之用,对不能靠重力放尽积水的还应考虑加热器干燥方式。 (11)采取措施,防止汽侧和水侧介质流动中引起的加热器管束的谐振。隔板及支撑板管孔光滑无毛剌,以防止管束的磨损。 (12)加热器的制造、焊接、产品检验均符合《钢制压力容器》(GB150)和《钢制管壳式换热器》(GB151)的要求。(13)加热器的无损探伤部位明确标注,探伤记录存档,供采购方必要时查阅。(14)卖方做完异类金属的焊接,并提供管板与管子的焊接要求。(15)设备制造过程中的残余应力不得危害设备的安全运行。(16)删除。(17)凝结水蒸汽加热器被加热水出口温度偏差不应出现负偏差。(18)凝结水蒸汽加热器汽侧(壳侧)压降不大于0.05MPa,凝结水蒸汽加热器水侧(管侧)压降不大于0.01MPa。(19)凝结水蒸汽加热器内置疏水冷却段。(20)凝结水蒸汽加热器运行温升率应高于3℃/min。(21)凝结水蒸汽加热器正式投产后可用率不低于99%。(22)卖方应在安装、运行说明书中对凝结水蒸汽加热器的运行注意事项、停运期间维护保养提供详细说明。(23)卖方应统筹加热器疏水的系统设计,确保加热器的性能和疏水通畅。(24)凝结水蒸汽加热器的噪声在距壳体外壁1m处不大于85dB(A)。   2.2材料与焊接 (1)卖方对设备本体与附件的材料的选择负有完全责任。卖方应合理地选择加热器筒体、管束及附件的材料,材料的使用应和设备各零部件的使用条件相适用。 (2)换热器各零部件的材料应根据不同的使用场合,按照压力、强度、硬度、抗腐蚀性能等的要求,合理选用,卖方应在技术资料中对材料的选用加以说明。 (3)卖方应按有关国标或有关制造厂选用的标准标出材料牌号,当没有这些牌号时,应标明材料制造厂家,材料的物理特性、化学成分。 (4)能在卖方的制造厂内焊接的工作均应在厂内焊接完成,不允许在现场焊接。需要现场焊接的部件,由卖方现场实施焊接,并提供焊接检查方法及焊接后的防腐处理。
2025-12-24
静止式电热烘箱
静止式电热烘箱一、设备名称:静止式电热烘箱二、设备数量:1台套三、设备用途:本设备满足于发电机定子/转子铁芯热烘工艺需求四、设备技术规格及基本要求4.1 技术规格:4.1.1基本参数:●烘箱尺寸:宽2700mm(内部净尺寸),深度5300mm(总的外部尺寸),高度(指台车面以上净尺寸)2650mm,台车高度450mm,烘箱尺寸参考附图。●外形尺寸:宽3200mm,深度5300mm,高度3700mm(此尺寸作为参考,可以根据现场实际情况进行适当的调整)。●所配台车承重20吨,台车面尺寸与烘箱工作室尺寸配合得当。●烘箱需安装观察窗,便于随时观察烘箱内部定转子的情况。烘箱门增加温度显示表。●配置适应的滴漆盘。●温度:室温~300℃;0~200℃升温时间≤30min。●现场有地面导轨(导轨内侧间距1435mm),是否采用现有导轨由烘箱厂家评估,如需重新铺设导轨,由烘箱厂家负责。【江苏扬天电热设备有限公司】——信息化 数字化 智能化——義飞扬天——防爆电加热器专业制造商——为新时代中国制造加油助力——全国尊贵热线:400-777-5525 4.1.2设备技术要求:●设计满足GB/T 10067.1-2008 (电热装置基本技术条件第一部分:通用部分); GB/T 2423.2-2008 试验B:高温试验方法; GB/T5170.2基本参数检定方法。●设备型号不限,厂家自行确定。●设备能在-20℃~50℃,相对湿度90%的环境里正常工作,精度稳定。●热稳定后,温度波动度≤±1℃;温度均匀性≤±2%(最高使用温度空箱测试,温度采集点为9个点,烘箱内8个顶点和1个中间点);温度稳定度24小时内不大于3℃。●烘箱内设置1个可移动的温度传感器,用于放置在被加热工件表面,用于测量工件的实际温度,同时温度显示面板上可切换不同点的温度显示或设置多点个面板显示多点温度。●烘箱内热风出口的温度≤(设定温度+10℃),避免对着出风口的工件面过热。●箱体表面温升≤15℃(在环境温度35℃时,箱体表面温度不大于50℃),特殊位置参照JB/T5520-91标准。●满足加热要求前提下,加热功率不限定。鼓风、排风数量和功率按照行业标准自行设计,满足最新的节能环保要求。●带电部分对箱壳的冷态绝缘电阻不小于3MΩ。●结构形式:整体式制作。●鼓风系统:箱内循环换气次数设计合理,耐温防爆长轴鼓风电机;风机功率和风量等参数厂家自己按相关标准设计决定;热风循环方式、出风方式、鼓风风机、出风量控制等,按最优质方案设计(其中设计时需注意,出风口不能直接对着台车,防止台车上的灰尘等杂质被出风吹起,粘附在定转子上),与原有旧烘箱排气系统无缝连接;鼓风风机:低噪音离心式鼓风机,噪音为70dB以下。●排气系统:设手/自动间歇式排气控制系统一套,自动时为定时间歇排气方式(时间可调)。●电气控制系统:独立式控制柜;表面喷塑处理,内设散热风扇;面板元件:主控表、报警表、电流表、电压表、电源开关、以及鼓风、排气、加热等按钮、时间继电器等采用知名品牌(施耐德、三菱或西门子系列产品);柜体顶部安装一套报警灯,出现报警时会发出闪亮的红灯及紧急声音;采用智能数显温控仪,可编30段升温程序,带P.I.D参数自整定,带RS485计算机通讯接口,配2套Pt100感温元件;加热控制:采用SSR固态继电器+周波控制器调功;鼓风控制系统;配时间继电器一套,可实现24小时定时关机;4通道无纸记录仪一个,高速、高性能32位ARM微处理器,可同时实现2路信号检测、记录、显示和报警,5.6英寸320X234点阵高亮度图形液晶显示,画面清晰、宽视角、全隔离万能输入,可输入多种信号,无需跳线,通过软件组态即可,新型开关电源,集成硬件实时时钟,掉电情况下时钟也能准确运行,大容量FLASH闪存芯片存储历史数据,掉电永不丢失数据,信号全量程精度±0.2%,软件密码锁保证用户组态安全,中文菜单组态,可自由组态并显示工程位号、工程单位等,配热电偶;●大门要求:开门方式,箱体正面手动双开门;门锁采用羊角拉手锁紧可调结构,材料采用铸钢镀铬把手;大门铰链上下共四套,表面镀铬处理;防护缓冲垫,每扇门上下各设一只防护缓冲垫,防止大门过大冲击;门面板材料厚度不低于1.5mm经防腐防锈处理后制作;门底和门框板,采用厚度不低于1.2mm的304不锈钢;门内骨架用不低于国标10号Q235槽钢、5号角钢等型钢除锈防锈处理后焊接;门保温:采用高密度优质硅酸铝棉保温及矿保温板填充;门密封:陶瓷纤维绳密封或是更优方案。●设备结构:厚1.5mm及以上Q235冷轧钢板经防锈处理后,喷涂丙烯酸自干漆;设备外壳内胆:厚度1.2mm及以上SUS304不锈钢;外壳骨架:10号及以上级国标Q235槽钢、5号及以上级角钢除锈防锈处理;内胆骨架:5号国标Q235角钢除锈、防锈处理后,喷涂W61系列有机硅耐温漆;保温材料:放置加热器位置采用硅酸铝棉毡,其余采用高密度优质硅酸铝棉;需充分考虑烘箱整体气密性,底   盘:Q235槽钢等型钢除锈防锈处理后,喷涂防潮涂料;●工作台车要求:台车功率不作具体要求,以厂家设计满足需求为主;台车行走方式:电机自驱动牵引,减速电机带动台车在导轨上来回移动;台车车架:采用Q235型钢小井字架型制作,除锈防锈厚喷涂W61系列有机硅耐温漆;台车面板:Q235、δ5厚钢板制作而成,经除锈防锈后焊接而成;车轮:配合原有导轨设计尺寸,耐温载重车轮系统共4套;驱动系统:功率不要求,厂家按要求设计;配置钢制电缆拖链;台车载重:满足20吨要求;台车同箱体密封采用斜契式压紧密封,密封材料外包0.5mm厚不锈钢弹片,即具有良好的弹性又可保护密封材料不被磨坏,或者使用其他更优方案;轴承座:采用重型轴承座,保证足够强度;台车行走最大速度4-6m/min;●加热系统:电热器功率、加热方式及位置不做要求,满足相关标准要求,结构合理。●设备整体要求整机运行平稳,运行噪音不大于70分贝。●烘箱需布置合理,易损部件应安装、维修方便。●烘箱不允许有气体泄漏现象,炉内壁的直角均应采用圆弧过渡。●烘箱应有足够的刚度、抗震性及抗热变形性能。●烘箱应有可靠的防护装置和安全措施,以防止误操作或意外事故而使烘箱受损或人身伤害事故发生。
2025-12-22
142 条记录 2/12 页 上一页 下一页   1  2  3   4   5  下5页 最后一页
电话
18936231333
二维码

扫码关注